À propos
Caractéristiques
NOUVEAU BOSCH VOLICE 1607014170 SEMPRE DE CARBON
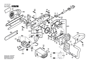
Ensemble de brosses en carbone
La pièce de rechange est représentée dans ce diagramme au numéro de position 810
Cette pièce est compatible avec de nombreux outils, y compris les modèles énumérés ci-dessous:
0600836703 AKE 35-19 SAW 230 V / EU
0600836732 AKE 35-19 SAW 230 V / CH
0600836742 AKE 35-19 CHACHE SAW 230 V / GB
0600836803 AKE 40-19 SAW 230 V / EU
0600836832 AKE 40-19 SAW 230 V / CH
0600836842 AKE 40-19 SAW 230 V / GB
06008368A0 AKE 40-19 SAW 230 V / EU
06008368A1 AKE 40-19 SAW 230 V / CH
06008368A2 AKE 40-19 SAW 230 V / GB
0601597603 GKE 35 BCE La chaîne a vu 230 V / UE
0601597608 GKE 35 BCE SAW 230 V / OEU
0601597632 GKE 35 BCE SAW 230 V / CH
06015976A0 GKE 35 BCE La chaîne a vu 230 V / UE
06015976A1 GKE 35 BCE SAW 230 V / CH
0601597703 GKE 40 BCE La chaîne a vu 230 V / UE
0601597708 GKE 40 BCE La chaîne a vu 230 V / OEU
0601597732 GKE 40 BCE La chaîne SAW 230 V / CH
06015977A0 GKE 40 BCE La chaîne a vu 230 V / UE
06015977A1 GKE 40 BCE La chaîne SAW 230 V / CH
3600H36A00 AKE 30-18 S SAW 230 V / EU
3600H36A70 AKE 30-18 S CHACHE SAW 230 V / GB
3600H36B00 AKE 35-18 S SAW 230 V / EU
3600H36B30 AKE 35-18 S CHACHE SAW 230 V / CH
3600H36B70 AKE 35-18 S SAW 230 V / GB
3600H36C00 AKE 40-18 S SCAE 230 V / EU
3600H36C30 AKE 40-18 S SCAE 230 V / CH
3600H36C70 AKE 40-18 S SAW 230 V / GB
3600h36d00 Ake 30-19 S La chaîne a vu 230 V / UE
3600H36E00 AKE 35-19 S CHACHE SAW 230 V / EU
3600h36e01 Ake 35-19 S La chaîne a vu 230 V / ---
3600H36E30 AKE 35-19 S CHACHE SAW 230 V / CH
3600h36e31 Ake 35-19 S La chaîne a vu 230 V / ---
3600H36E70 AKE 35-19 S SAW 230 V / GB
3600h36e71 Ake 35-19 S La chaîne a vu 230 V / ---
3600h36e80 Ake 35-19 S La chaîne a vu 220 V / CN
3600h36e81 Ake 35-19 S La chaîne a vu 220 v / ---
3600h36f00 Ake 40-19 S La chaîne a vu 230 v / ---
3600H36F01 AKE 40-19 S CHACHE SAW 230 V / EU
3600H36F30 AKE 40-19 S SAW 230 V / CH
3600H36F31 AKE 40-19 S CHACHE SAW 230 V / CH
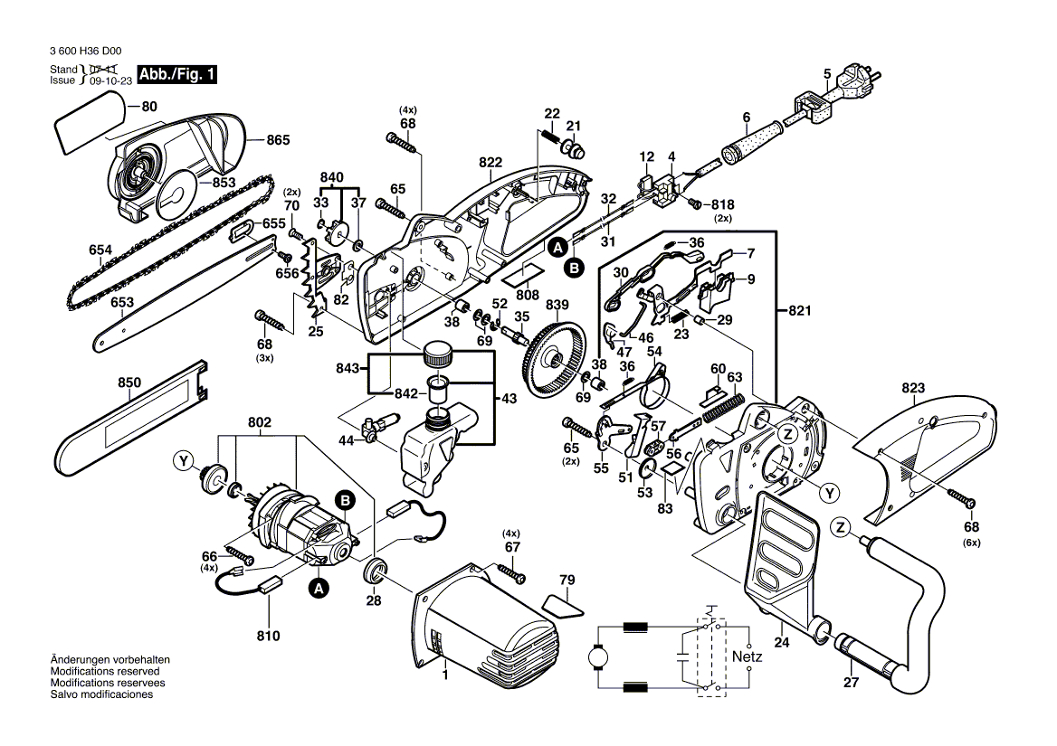
Ensemble de brosses en carbone
La pièce de rechange est représentée dans ce diagramme au numéro de position 810
Cette pièce est compatible avec de nombreux outils, y compris les modèles énumérés ci-dessous:
0600836703 AKE 35-19 SAW 230 V / EU
0600836732 AKE 35-19 SAW 230 V / CH
0600836742 AKE 35-19 CHACHE SAW 230 V / GB
0600836803 AKE 40-19 SAW 230 V / EU
0600836832 AKE 40-19 SAW 230 V / CH
0600836842 AKE 40-19 SAW 230 V / GB
06008368A0 AKE 40-19 SAW 230 V / EU
06008368A1 AKE 40-19 SAW 230 V / CH
06008368A2 AKE 40-19 SAW 230 V / GB
0601597603 GKE 35 BCE La chaîne a vu 230 V / UE
0601597608 GKE 35 BCE SAW 230 V / OEU
0601597632 GKE 35 BCE SAW 230 V / CH
06015976A0 GKE 35 BCE La chaîne a vu 230 V / UE
06015976A1 GKE 35 BCE SAW 230 V / CH
0601597703 GKE 40 BCE La chaîne a vu 230 V / UE
0601597708 GKE 40 BCE La chaîne a vu 230 V / OEU
0601597732 GKE 40 BCE La chaîne SAW 230 V / CH
06015977A0 GKE 40 BCE La chaîne a vu 230 V / UE
06015977A1 GKE 40 BCE La chaîne SAW 230 V / CH
3600H36A00 AKE 30-18 S SAW 230 V / EU
3600H36A70 AKE 30-18 S CHACHE SAW 230 V / GB
3600H36B00 AKE 35-18 S SAW 230 V / EU
3600H36B30 AKE 35-18 S CHACHE SAW 230 V / CH
3600H36B70 AKE 35-18 S SAW 230 V / GB
3600H36C00 AKE 40-18 S SCAE 230 V / EU
3600H36C30 AKE 40-18 S SCAE 230 V / CH
3600H36C70 AKE 40-18 S SAW 230 V / GB
3600h36d00 Ake 30-19 S La chaîne a vu 230 V / UE
3600H36E00 AKE 35-19 S CHACHE SAW 230 V / EU
3600h36e01 Ake 35-19 S La chaîne a vu 230 V / ---
3600H36E30 AKE 35-19 S CHACHE SAW 230 V / CH
3600h36e31 Ake 35-19 S La chaîne a vu 230 V / ---
3600H36E70 AKE 35-19 S SAW 230 V / GB
3600h36e71 Ake 35-19 S La chaîne a vu 230 V / ---
3600h36e80 Ake 35-19 S La chaîne a vu 220 V / CN
3600h36e81 Ake 35-19 S La chaîne a vu 220 v / ---
3600h36f00 Ake 40-19 S La chaîne a vu 230 v / ---
3600H36F01 AKE 40-19 S CHACHE SAW 230 V / EU
3600H36F30 AKE 40-19 S SAW 230 V / CH
3600H36F31 AKE 40-19 S CHACHE SAW 230 V / CH
Caractéristiques
NOUVEAU BOSCH VOLICE 1607014170 SEMPRE DE CARBON
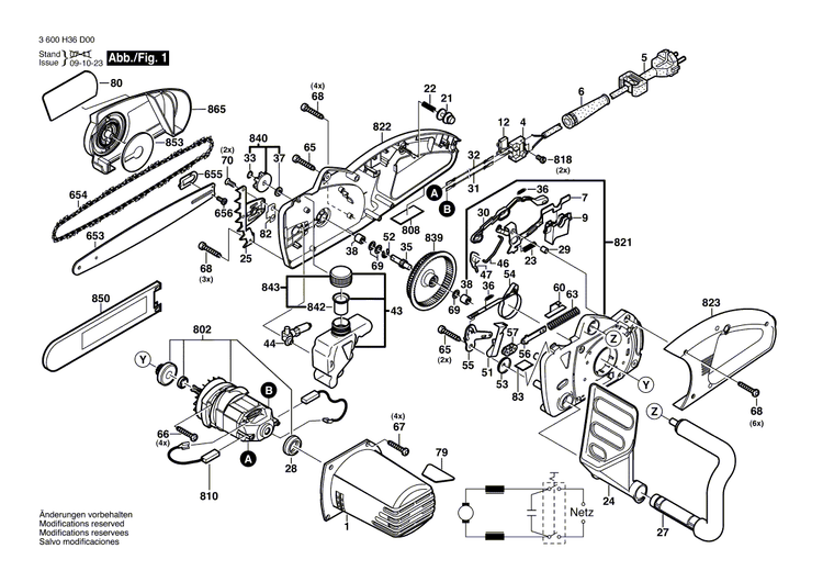
Ensemble de brosses en carbone
La pièce de rechange est représentée dans ce diagramme au numéro de position 810
Cette pièce est compatible avec de nombreux outils, y compris les modèles énumérés ci-dessous:
0600836703 AKE 35-19 SAW 230 V / EU
0600836732 AKE 35-19 SAW 230 V / CH
0600836742 AKE 35-19 CHACHE SAW 230 V / GB
0600836803 AKE 40-19 SAW 230 V / EU
0600836832 AKE 40-19 SAW 230 V / CH
0600836842 AKE 40-19 SAW 230 V / GB
06008368A0 AKE 40-19 SAW 230 V / EU
06008368A1 AKE 40-19 SAW 230 V / CH
06008368A2 AKE 40-19 SAW 230 V / GB
0601597603 GKE 35 BCE La chaîne a vu 230 V / UE
0601597608 GKE 35 BCE SAW 230 V / OEU
0601597632 GKE 35 BCE SAW 230 V / CH
06015976A0 GKE 35 BCE La chaîne a vu 230 V / UE
06015976A1 GKE 35 BCE SAW 230 V / CH
0601597703 GKE 40 BCE La chaîne a vu 230 V / UE
0601597708 GKE 40 BCE La chaîne a vu 230 V / OEU
0601597732 GKE 40 BCE La chaîne SAW 230 V / CH
06015977A0 GKE 40 BCE La chaîne a vu 230 V / UE
06015977A1 GKE 40 BCE La chaîne SAW 230 V / CH
3600H36A00 AKE 30-18 S SAW 230 V / EU
3600H36A70 AKE 30-18 S CHACHE SAW 230 V / GB
3600H36B00 AKE 35-18 S SAW 230 V / EU
3600H36B30 AKE 35-18 S CHACHE SAW 230 V / CH
3600H36B70 AKE 35-18 S SAW 230 V / GB
3600H36C00 AKE 40-18 S SCAE 230 V / EU
3600H36C30 AKE 40-18 S SCAE 230 V / CH
3600H36C70 AKE 40-18 S SAW 230 V / GB
3600h36d00 Ake 30-19 S La chaîne a vu 230 V / UE
3600H36E00 AKE 35-19 S CHACHE SAW 230 V / EU
3600h36e01 Ake 35-19 S La chaîne a vu 230 V / ---
3600H36E30 AKE 35-19 S CHACHE SAW 230 V / CH
3600h36e31 Ake 35-19 S La chaîne a vu 230 V / ---
3600H36E70 AKE 35-19 S SAW 230 V / GB
3600h36e71 Ake 35-19 S La chaîne a vu 230 V / ---
3600h36e80 Ake 35-19 S La chaîne a vu 220 V / CN
3600h36e81 Ake 35-19 S La chaîne a vu 220 v / ---
3600h36f00 Ake 40-19 S La chaîne a vu 230 v / ---
3600H36F01 AKE 40-19 S CHACHE SAW 230 V / EU
3600H36F30 AKE 40-19 S SAW 230 V / CH
3600H36F31 AKE 40-19 S CHACHE SAW 230 V / CH
Ensemble de brosses en carbone
La pièce de rechange est représentée dans ce diagramme au numéro de position 810
Cette pièce est compatible avec de nombreux outils, y compris les modèles énumérés ci-dessous:
0600836703 AKE 35-19 SAW 230 V / EU
0600836732 AKE 35-19 SAW 230 V / CH
0600836742 AKE 35-19 CHACHE SAW 230 V / GB
0600836803 AKE 40-19 SAW 230 V / EU
0600836832 AKE 40-19 SAW 230 V / CH
0600836842 AKE 40-19 SAW 230 V / GB
06008368A0 AKE 40-19 SAW 230 V / EU
06008368A1 AKE 40-19 SAW 230 V / CH
06008368A2 AKE 40-19 SAW 230 V / GB
0601597603 GKE 35 BCE La chaîne a vu 230 V / UE
0601597608 GKE 35 BCE SAW 230 V / OEU
0601597632 GKE 35 BCE SAW 230 V / CH
06015976A0 GKE 35 BCE La chaîne a vu 230 V / UE
06015976A1 GKE 35 BCE SAW 230 V / CH
0601597703 GKE 40 BCE La chaîne a vu 230 V / UE
0601597708 GKE 40 BCE La chaîne a vu 230 V / OEU
0601597732 GKE 40 BCE La chaîne SAW 230 V / CH
06015977A0 GKE 40 BCE La chaîne a vu 230 V / UE
06015977A1 GKE 40 BCE La chaîne SAW 230 V / CH
3600H36A00 AKE 30-18 S SAW 230 V / EU
3600H36A70 AKE 30-18 S CHACHE SAW 230 V / GB
3600H36B00 AKE 35-18 S SAW 230 V / EU
3600H36B30 AKE 35-18 S CHACHE SAW 230 V / CH
3600H36B70 AKE 35-18 S SAW 230 V / GB
3600H36C00 AKE 40-18 S SCAE 230 V / EU
3600H36C30 AKE 40-18 S SCAE 230 V / CH
3600H36C70 AKE 40-18 S SAW 230 V / GB
3600h36d00 Ake 30-19 S La chaîne a vu 230 V / UE
3600H36E00 AKE 35-19 S CHACHE SAW 230 V / EU
3600h36e01 Ake 35-19 S La chaîne a vu 230 V / ---
3600H36E30 AKE 35-19 S CHACHE SAW 230 V / CH
3600h36e31 Ake 35-19 S La chaîne a vu 230 V / ---
3600H36E70 AKE 35-19 S SAW 230 V / GB
3600h36e71 Ake 35-19 S La chaîne a vu 230 V / ---
3600h36e80 Ake 35-19 S La chaîne a vu 220 V / CN
3600h36e81 Ake 35-19 S La chaîne a vu 220 v / ---
3600h36f00 Ake 40-19 S La chaîne a vu 230 v / ---
3600H36F01 AKE 40-19 S CHACHE SAW 230 V / EU
3600H36F30 AKE 40-19 S SAW 230 V / CH
3600H36F31 AKE 40-19 S CHACHE SAW 230 V / CH
NOUVEAU BOSCH VOLICE 1607014170 SEMPRE DE CARBON
- Prix régulier
- $40.00
- Prix de vente
- $40.00
- Prix régulier
-
$16.00
Taxe incluse.
Impossible de charger la disponibilité du ramassage
