Teave
Uus originaal Bosch 2602026214 kork-käepide
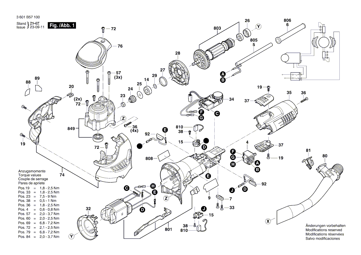
Korgi käepide
Varuosa on sellel diagrammil kujutatud positsiooninumbri 76 all.
See osa ühildub paljude tööriistadega, sh allpool loetletud mudelitega:
3601B57000 GET 55-125 ekstsentriklihvija 230 V / EL
3601B57010 GET65-5 ekstsentriklihvija 120 V / USA
3601B57030 GET 55-125 Ekstsentriklihvija 230 V / CH
3601B57040 GET 55-125 Ekstsentriklihvija 240 V / AUS
3601B57060 GET 55-125 Ekstsentriklihvija 110 V / GB
3601B57070 GET 55-125 Ekstsentriklihvija 230 V / GB
3601B570B0 GET 55-125 Ekstsentriklihvija 100 V / ROK
3601B57100 GET 75-150 ekstsentriklihvija 230 V / EL
3601B57110 GET75-6 ekstsentriklihvija 120 V / USA
3601B57130 GET 75-150 Ekstsentriklihvija 230 V / CH
3601B57140 GET 75-150 Ekstsentriklihvija 240 V / AUS
3601B57160 GET 75-150 Ekstsentriklihvija 110 V / GB
3601B57170 GET 75-150 Ekstsentriklihvija 230 V / GB
3601B571B0 GET 75-150 Juhuslik orbitaallihv 100 V / ROK
Kaubamärk: Bosch
SKU: 2602026214
EAN: 4059952547527
Uus originaal Bosch 2602026214 kork-käepide
Korgi käepide
Varuosa on sellel diagrammil kujutatud positsiooninumbri 76 all.
See osa ühildub paljude tööriistadega, sh allpool loetletud mudelitega:
3601B57000 GET 55-125 ekstsentriklihvija 230 V / EL
3601B57010 GET65-5 ekstsentriklihvija 120 V / USA
3601B57030 GET 55-125 Ekstsentriklihvija 230 V / CH
3601B57040 GET 55-125 Ekstsentriklihvija 240 V / AUS
3601B57060 GET 55-125 Ekstsentriklihvija 110 V / GB
3601B57070 GET 55-125 Ekstsentriklihvija 230 V / GB
3601B570B0 GET 55-125 Ekstsentriklihvija 100 V / ROK
3601B57100 GET 75-150 ekstsentriklihvija 230 V / EL
3601B57110 GET75-6 ekstsentriklihvija 120 V / USA
3601B57130 GET 75-150 Ekstsentriklihvija 230 V / CH
3601B57140 GET 75-150 Ekstsentriklihvija 240 V / AUS
3601B57160 GET 75-150 Ekstsentriklihvija 110 V / GB
3601B57170 GET 75-150 Ekstsentriklihvija 230 V / GB
3601B571B0 GET 75-150 Juhuslik orbitaallihv 100 V / ROK
Kaubamärk: Bosch
SKU: 2602026214
EAN: 4059952547527
Uus originaal Bosch 2602026214 kork-käepide
- Tavaline hind
- $28.00
- Allahindlushind
- $28.00
- Tavaline hind
-
$5.00
Järeletulemise saadavust ei õnnestunud laadida
