Teave
Uus originaalne Boschi 1609B08070 polt
Polt
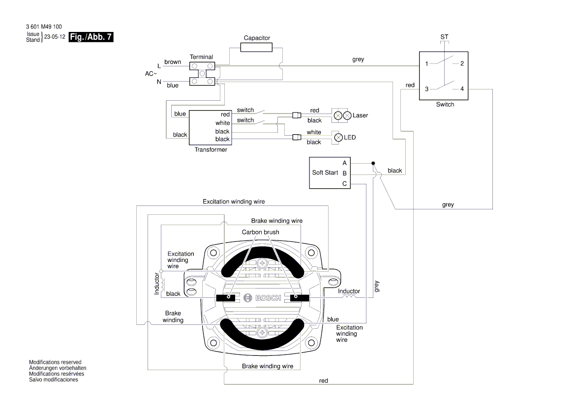
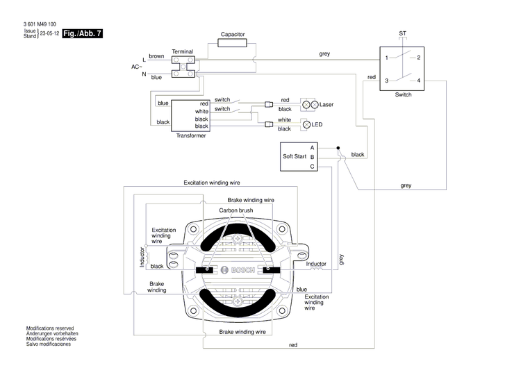
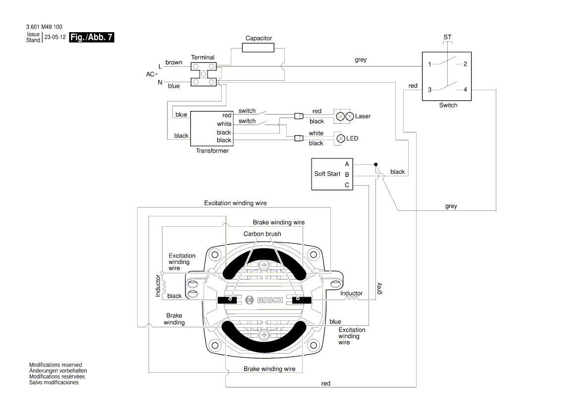
Varuosa on sellel diagrammil kujutatud positsiooninumbri 84 all.
See osa ühildub paljude tööriistadega, sh allpool loetletud mudelitega:
3601M49100 GCM 305-254 D kaldlõikussaag 230 V / ---
3601M49130 GCM 305-254 D kaldlõikussaag 230 V / CH
3601M49140 GCM 305-254 D kaldlõikussaag 24 V / ---
3601M49170 GCM 305-254 D kaldlõikussaag 230 V / ---
3601M491B0 GCM 305-254 D kaldlõikussaag 230 V / ---
3601M51100 GCM 18V-254 D kaldlõikussaag 18 V / EU
3601M51140 GCM 18V-254 D kaldlõikussaag 18 V / AUS
3601M51180 GCM 18V-254 D kaldlõikussaag 18 V / CN
3601M511B0 GCM 18V-254 D nurgasaag 18 V / ASI
Kaubamärk: Bosch
Tootekood: 1609B08070
EAN: 4059952705507
Uus originaalne Boschi 1609B08070 polt
Polt
Varuosa on sellel diagrammil kujutatud positsiooninumbri 84 all.
See osa ühildub paljude tööriistadega, sh allpool loetletud mudelitega:
3601M49100 GCM 305-254 D kaldlõikussaag 230 V / ---
3601M49130 GCM 305-254 D kaldlõikussaag 230 V / CH
3601M49140 GCM 305-254 D kaldlõikussaag 24 V / ---
3601M49170 GCM 305-254 D kaldlõikussaag 230 V / ---
3601M491B0 GCM 305-254 D kaldlõikussaag 230 V / ---
3601M51100 GCM 18V-254 D kaldlõikussaag 18 V / EU
3601M51140 GCM 18V-254 D kaldlõikussaag 18 V / AUS
3601M51180 GCM 18V-254 D kaldlõikussaag 18 V / CN
3601M511B0 GCM 18V-254 D nurgasaag 18 V / ASI
Kaubamärk: Bosch
Tootekood: 1609B08070
EAN: 4059952705507
Uus originaalne Boschi 1609B08070 polt
- Tavaline hind
- $24.00
- Allahindlushind
- $24.00
- Tavaline hind
-
$1.00
Järeletulemise saadavust ei õnnestunud laadida
