Teave
Uus originaalne Bosch 1609B05347 välikomplekt
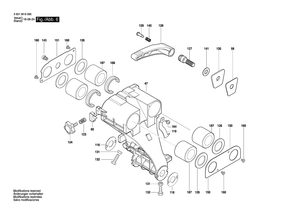
Välimontaaž
Varuosa on sellel diagrammil kujutatud positsiooninumbri 802 all.
See osa ühildub paljude tööriistadega, sh allpool loetletud mudelitega:
3601M19060 GCM 800 SJ liuglõikussaag 110 V / GB
3601M19061 GCM 800 SJ liuglõikussaag 110 V / GB
3601M19110 CM8S libisev kaldsaag 115 V / USA
3601M19111 CM8S libisev kaldsaag 115 V / USA
3601M19160 GCM 8 SJL libisev kaldsaag 110 V / GB
3601M19161 GCM 8 SJL libiseva kaldlõikuriga saag 110 V / GB
3601M191C0 GCM 8 SJL libisev kaldsaag 115 V / RC
3601M191C1 GCM 8 SJL libisev kaldsaag 115 V / RC
Kaubamärk: Bosch
SKU: 1609B05347
EAN: 4059952107103
Uus originaalne Bosch 1609B05347 välikomplekt
Välimontaaž
Varuosa on sellel diagrammil kujutatud positsiooninumbri 802 all.
See osa ühildub paljude tööriistadega, sh allpool loetletud mudelitega:
3601M19060 GCM 800 SJ liuglõikussaag 110 V / GB
3601M19061 GCM 800 SJ liuglõikussaag 110 V / GB
3601M19110 CM8S libisev kaldsaag 115 V / USA
3601M19111 CM8S libisev kaldsaag 115 V / USA
3601M19160 GCM 8 SJL libisev kaldsaag 110 V / GB
3601M19161 GCM 8 SJL libiseva kaldlõikuriga saag 110 V / GB
3601M191C0 GCM 8 SJL libisev kaldsaag 115 V / RC
3601M191C1 GCM 8 SJL libisev kaldsaag 115 V / RC
Kaubamärk: Bosch
SKU: 1609B05347
EAN: 4059952107103
Uus originaalne Bosch 1609B05347 välikomplekt
- Tavaline hind
- $72.00
- Allahindlushind
- $72.00
- Tavaline hind
-
$45.00
Järeletulemise saadavust ei õnnestunud laadida
