Teave
Uus originaalne Bosch 1609B04803 rihmakate
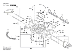
Vöö kate
Varuosa on sellel diagrammil kujutatud positsiooninumbri 83 all.
See osa ühildub paljude tööriistadega, sh allpool loetletud mudelitega:
3601M23100 GCM 12 SDE libisev kaldlõikussaag 230 V / EU
3601M23101 GCM 12 SDE libisev kaldsaag 230 V / EU
3601M23130 GCM 12 SDE libisev kaldsaag 230 V / CH
3601M23131 GCM 12 SDE libisev kaldsaag 230 V / CH
3601M23140 GCM 12 SDE kaldlõikussaag 240 V / AUS
3601M23160 GCM 12 SDE libiseva kaldlõikuriga saag 110 V / GB
3601M23161 GCM 12 SDE libiseva kaldlõikuriga saag 110 V / GB
3601M23170 GCM 12 SDE libisev kaldsaag 230 V / GB
3601M23171 GCM 12 SDE libisev kaldsaag 230 V / GB
3601M231B0 GCM 12 SDE libisev kaldsaag 230 V / ROK
3601M23210 CM12SD libisev kaldsaag 110 V / USA
Kaubamärk: Bosch
Tootekood: 1609B04803
EAN: 4059952104454
Uus originaalne Bosch 1609B04803 rihmakate
Vöö kate
Varuosa on sellel diagrammil kujutatud positsiooninumbri 83 all.
See osa ühildub paljude tööriistadega, sh allpool loetletud mudelitega:
3601M23100 GCM 12 SDE libisev kaldlõikussaag 230 V / EU
3601M23101 GCM 12 SDE libisev kaldsaag 230 V / EU
3601M23130 GCM 12 SDE libisev kaldsaag 230 V / CH
3601M23131 GCM 12 SDE libisev kaldsaag 230 V / CH
3601M23140 GCM 12 SDE kaldlõikussaag 240 V / AUS
3601M23160 GCM 12 SDE libiseva kaldlõikuriga saag 110 V / GB
3601M23161 GCM 12 SDE libiseva kaldlõikuriga saag 110 V / GB
3601M23170 GCM 12 SDE libisev kaldsaag 230 V / GB
3601M23171 GCM 12 SDE libisev kaldsaag 230 V / GB
3601M231B0 GCM 12 SDE libisev kaldsaag 230 V / ROK
3601M23210 CM12SD libisev kaldsaag 110 V / USA
Kaubamärk: Bosch
Tootekood: 1609B04803
EAN: 4059952104454
Uus originaalne Bosch 1609B04803 rihmakate
- Tavaline hind
- $31.00
- Allahindlushind
- $31.00
- Tavaline hind
-
$8.00
Järeletulemise saadavust ei õnnestunud laadida
