Teave
Uus originaalne Bosch 1609B04623 äärik
Äärik
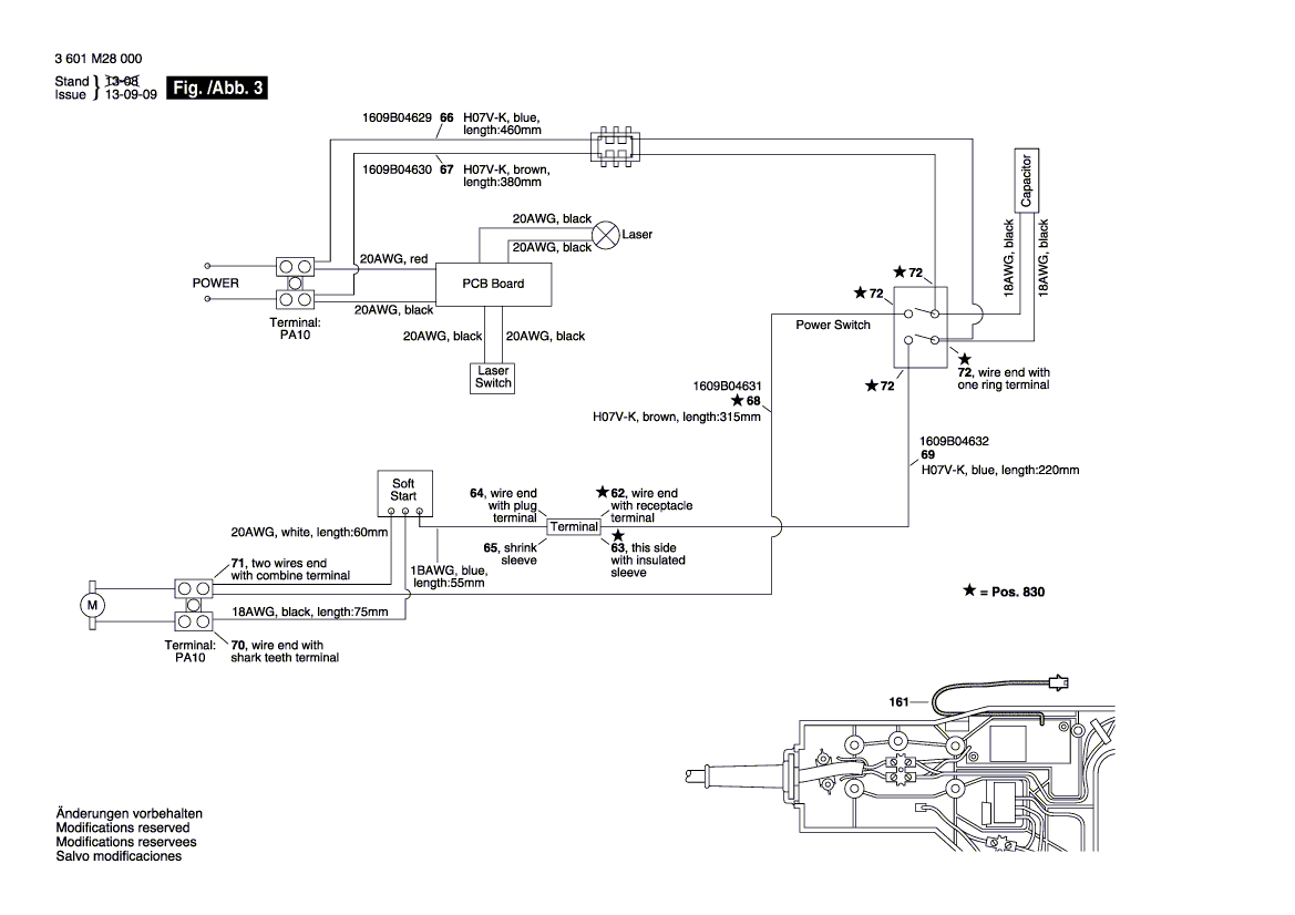
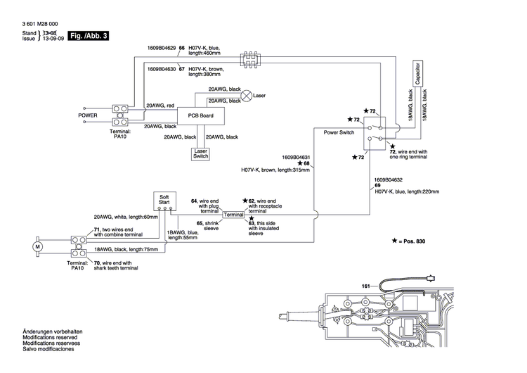
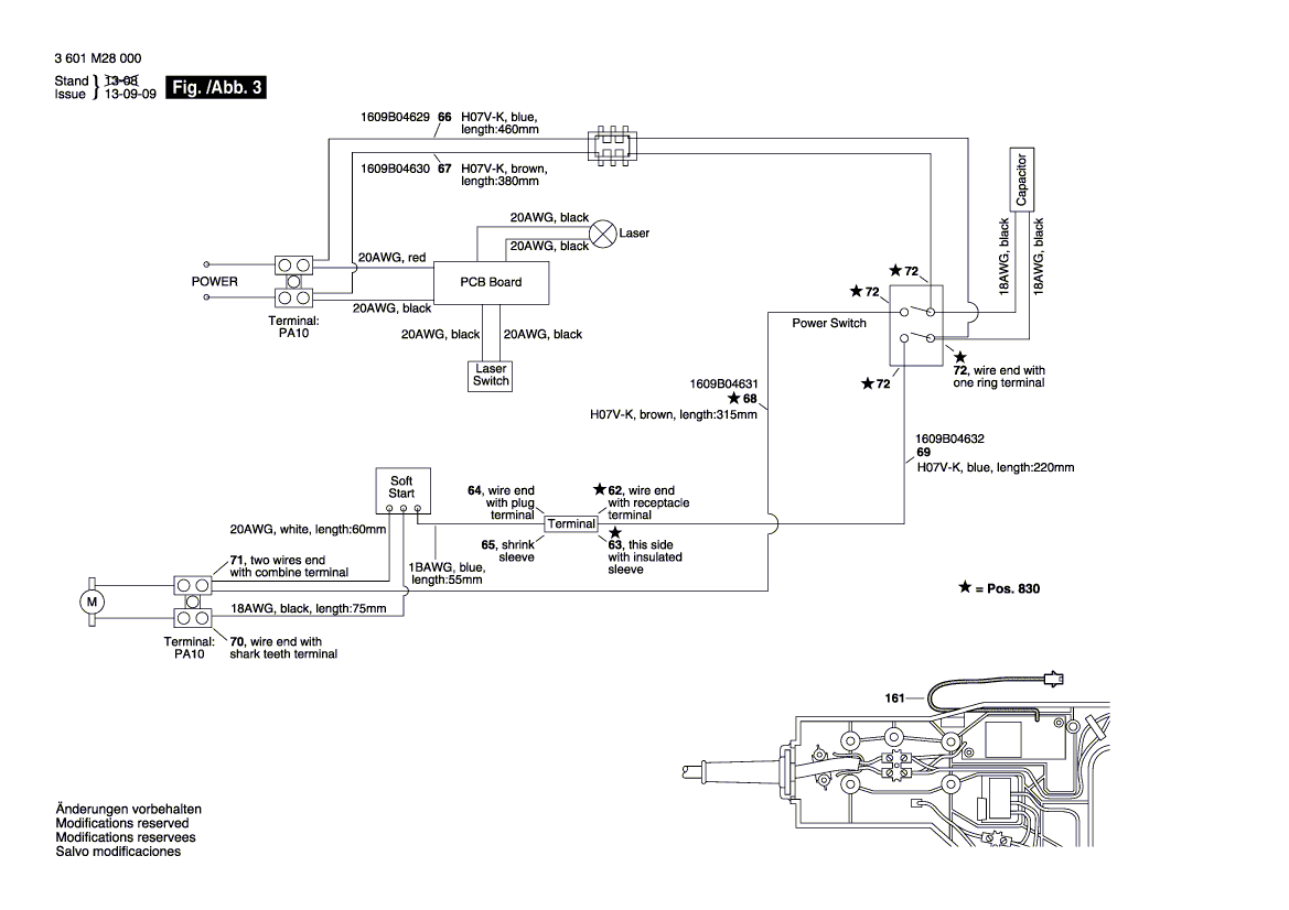
Varuosa on sellel diagrammil kujutatud positsiooninumbri 43 all.
See osa ühildub paljude tööriistadega, sh allpool loetletud mudelitega:
3601M28000 GCD 12 JL Kuivlõikur 230 V / EU
3601M28001 GCD 12 JL Kuivlõikur 230 V / EU
3601M28030 GCD 12 JL Kuivlõikur 230 V / CH
3601M28040 GCD 12 JL Kuivlõikur 240 V / AUS
3601M28041 GCD 12 JL Kuivlõikur 240 V / AUS
3601M28060 GCD 12 JL Kuivlõikur 110 V / GB
3601M28061 GCD 12 JL Kuivlõikur 110 V / GB
3601M28070 GCD 12 JL Kuivlõikur 230 V / GB
3601M28071 GCD 12 JL Kuivlõikur 230 V / GB
3601M28080 GCD 12 JL Kuivlõikur 220 V / CN
3601M28071 GCD 12 JL Kuivlõikur 230 V / GB
3601M28080 GCD 12 JL Kuivlõikur 220 V / CN
3601M28081 GCD 12 JL Kuivlõikur 220 V / CN
3601M280B0 GCD 12 JL Kuivlõikur 220 V / ROK
3601M280B1 GCD 12 JL Kuivlõikur 220 V / ROK
3601M280F0 GCD 12 JL Kuivlõikur 220 V / IND
Kaubamärk: Bosch
Tootekood: 1609B04623
EAN: 4059952103457
Uus originaalne Bosch 1609B04623 äärik
Äärik
Varuosa on sellel diagrammil kujutatud positsiooninumbri 43 all.
See osa ühildub paljude tööriistadega, sh allpool loetletud mudelitega:
3601M28000 GCD 12 JL Kuivlõikur 230 V / EU
3601M28001 GCD 12 JL Kuivlõikur 230 V / EU
3601M28030 GCD 12 JL Kuivlõikur 230 V / CH
3601M28040 GCD 12 JL Kuivlõikur 240 V / AUS
3601M28041 GCD 12 JL Kuivlõikur 240 V / AUS
3601M28060 GCD 12 JL Kuivlõikur 110 V / GB
3601M28061 GCD 12 JL Kuivlõikur 110 V / GB
3601M28070 GCD 12 JL Kuivlõikur 230 V / GB
3601M28071 GCD 12 JL Kuivlõikur 230 V / GB
3601M28080 GCD 12 JL Kuivlõikur 220 V / CN
3601M28071 GCD 12 JL Kuivlõikur 230 V / GB
3601M28080 GCD 12 JL Kuivlõikur 220 V / CN
3601M28081 GCD 12 JL Kuivlõikur 220 V / CN
3601M280B0 GCD 12 JL Kuivlõikur 220 V / ROK
3601M280B1 GCD 12 JL Kuivlõikur 220 V / ROK
3601M280F0 GCD 12 JL Kuivlõikur 220 V / IND
Kaubamärk: Bosch
Tootekood: 1609B04623
EAN: 4059952103457
Uus originaalne Bosch 1609B04623 äärik
- Tavaline hind
- $33.00
- Allahindlushind
- $33.00
- Tavaline hind
-
$9.00
Järeletulemise saadavust ei õnnestunud laadida
