Teave
Uus originaalne Boschi 1609B04086 kruvi
Kruvi
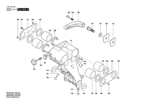
Varuosa on sellel diagrammil kujutatud positsiooninumbri 97 all.
See osa ühildub paljude tööriistadega, sh allpool loetletud mudelitega:
3601M22600 GCM 350-254 kaldlõikussaag 230 V / EU
3601M22630 GCM 350-254 kaldlõikussaag 230 V / CH
3601M22640 GCM 350-254 kaldlõikussaag 240 V / AUS
3601M22660 GCM 350-254 kaldlõikussaag 110 V / GB
3601M22670 GCM 350-254 kaldlõikussaag 230 V / GB
3601M226B0 GCM 350-254 kaldlõikussaag 230 V / ROK
3601M23100 GCM 12 SDE liuglõikussaag 230 V / EU
3601M23101 GCM 12 SDE libiseva kaldlõikuriga saag 230 V / EU
3601M23130 GCM 12 SDE libisev kaldsaag 230 V / CH
3601M23131 GCM 12 SDE libisev kaldsaag 230 V / CH
3601M23130 GCM 12 SDE libisev kaldsaag 230 V / CH
3601M23131 GCM 12 SDE libisev kaldsaag 230 V / CH
3601M23140 GCM 12 SDE kaldlõikussaag 240 V / AUS
3601M23160 GCM 12 SDE liuglõikussaag 110 V / GB
3601M23161 GCM 12 SDE libiseva kaldlõikuriga saag 110 V / GB
3601M23170 GCM 12 SDE libisev kaldsaag 230 V / GB
3601M23171 GCM 12 SDE libisev kaldsaag 230 V / GB
3601M231B0 GCM 12 SDE libisev kaldsaag 230 V / ROK
3601M23210 CM12SD libisev kaldsaag 110 V / USA
3601M19000 GCM 800 SJ liuglõikussaag 230 V / EU
3601M19001 GCM 80 SJ liuglõikussaag 230 V / EU
3601M19002 GCM 8000 SJ liuglõikussaag 230 V / EU
3601M19003 GCM 800 SJ liuglõikussaag 230 V / EU
3601M19004 GCM 80 SJ liuglõikussaag 230 V / EU
3601M19030 GCM 800 SJ liuglõikussaag 230 V / CH
3601M19031 GCM 800 SJ liuglõikussaag 230 V / CH
3601M19041 GCM 800 SJ liuglõikussaag 240 V / AUS
3601M19060 GCM 800 SJ liuglõikussaag 110 V / GB
3601M19061 GCM 800 SJ liuglõikussaag 110 V / GB
3601M19070 GCM 800 SJ liuglõikussaag 230 V / GB
3601M19071 GCM 800 SJ liuglõikussaag 230 V / GB
3601M19100 GCM 8 SJL libisev kaldsaag 230 V / EU
3601M19101 GCM 8 SJL libisev kaldsaag 230 V / EU
3601M19110 CM8S libisev kaldsaag 115 V / USA
3601M19111 CM8S libisev kaldsaag 115 V / USA
3601M19130 GCM 8 SJL, 230 V / CH
3601M19131 GCM 8 SJL lükandsaag 230 V / CH
3601M19140 GCM 8 SJL, 240 V / AUS
3601M19141 GCM 8 SJL, 240 V / AUS
3601M19160 GCM 8 SJL libisev kaldsaag 110 V / GB
Kaubamärk: Bosch
Tootekood: 1609B04086
EAN: 4059952101828
Uus originaalne Boschi 1609B04086 kruvi
Kruvi
Varuosa on sellel diagrammil kujutatud positsiooninumbri 97 all.
See osa ühildub paljude tööriistadega, sh allpool loetletud mudelitega:
3601M22600 GCM 350-254 kaldlõikussaag 230 V / EU
3601M22630 GCM 350-254 kaldlõikussaag 230 V / CH
3601M22640 GCM 350-254 kaldlõikussaag 240 V / AUS
3601M22660 GCM 350-254 kaldlõikussaag 110 V / GB
3601M22670 GCM 350-254 kaldlõikussaag 230 V / GB
3601M226B0 GCM 350-254 kaldlõikussaag 230 V / ROK
3601M23100 GCM 12 SDE liuglõikussaag 230 V / EU
3601M23101 GCM 12 SDE libiseva kaldlõikuriga saag 230 V / EU
3601M23130 GCM 12 SDE libisev kaldsaag 230 V / CH
3601M23131 GCM 12 SDE libisev kaldsaag 230 V / CH
3601M23130 GCM 12 SDE libisev kaldsaag 230 V / CH
3601M23131 GCM 12 SDE libisev kaldsaag 230 V / CH
3601M23140 GCM 12 SDE kaldlõikussaag 240 V / AUS
3601M23160 GCM 12 SDE liuglõikussaag 110 V / GB
3601M23161 GCM 12 SDE libiseva kaldlõikuriga saag 110 V / GB
3601M23170 GCM 12 SDE libisev kaldsaag 230 V / GB
3601M23171 GCM 12 SDE libisev kaldsaag 230 V / GB
3601M231B0 GCM 12 SDE libisev kaldsaag 230 V / ROK
3601M23210 CM12SD libisev kaldsaag 110 V / USA
3601M19000 GCM 800 SJ liuglõikussaag 230 V / EU
3601M19001 GCM 80 SJ liuglõikussaag 230 V / EU
3601M19002 GCM 8000 SJ liuglõikussaag 230 V / EU
3601M19003 GCM 800 SJ liuglõikussaag 230 V / EU
3601M19004 GCM 80 SJ liuglõikussaag 230 V / EU
3601M19030 GCM 800 SJ liuglõikussaag 230 V / CH
3601M19031 GCM 800 SJ liuglõikussaag 230 V / CH
3601M19041 GCM 800 SJ liuglõikussaag 240 V / AUS
3601M19060 GCM 800 SJ liuglõikussaag 110 V / GB
3601M19061 GCM 800 SJ liuglõikussaag 110 V / GB
3601M19070 GCM 800 SJ liuglõikussaag 230 V / GB
3601M19071 GCM 800 SJ liuglõikussaag 230 V / GB
3601M19100 GCM 8 SJL libisev kaldsaag 230 V / EU
3601M19101 GCM 8 SJL libisev kaldsaag 230 V / EU
3601M19110 CM8S libisev kaldsaag 115 V / USA
3601M19111 CM8S libisev kaldsaag 115 V / USA
3601M19130 GCM 8 SJL, 230 V / CH
3601M19131 GCM 8 SJL lükandsaag 230 V / CH
3601M19140 GCM 8 SJL, 240 V / AUS
3601M19141 GCM 8 SJL, 240 V / AUS
3601M19160 GCM 8 SJL libisev kaldsaag 110 V / GB
Kaubamärk: Bosch
Tootekood: 1609B04086
EAN: 4059952101828
Uus originaalne Boschi 1609B04086 kruvi
- Tavaline hind
- $25.00
- Allahindlushind
- $25.00
- Tavaline hind
-
$2.00
Järeletulemise saadavust ei õnnestunud laadida
