Teave
Omadused
Uus originaalne Boschi 1600A029LE elektroonikamoodul
Elektroonika moodul
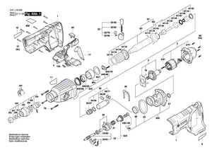
Varuosa on sellel diagrammil kujutatud positsiooninumbri 4 all.
See osa ühildub paljude tööriistadega, sh allpool loetletud mudelitega:
3611J16000 GBH 18V-26D puurvasar 18 V / EU
3611J16001 GBH 18V-26D puurvasar / ---
3611J16002 GBH 18V-26D akuga lööktrell 18 V / EU
3611J16010 GBH18V-26D akuga lööktrell 18 V / USA
3611J16011 GBH 18V-26D puurvasar / ---
3611J16012 GBH18V-26D akuga lööktrell 18 V / USA
3611J16040 GBH 18V-26D akuga lööktrell / ---
3611J16041 GBH 18V-26D puurvasar / ---
3611J16042 GBH 18V-26D akuga lööktrell / ---
3611J16050 GBH18V-26D akuga lööktrell 18 V / ---
3611J16052 GBH 18V-26D akuga lööktrell / ---
Elektroonika moodul
Varuosa on sellel diagrammil kujutatud positsiooninumbri 4 all.
See osa ühildub paljude tööriistadega, sh allpool loetletud mudelitega:
3611J16000 GBH 18V-26D puurvasar 18 V / EU
3611J16001 GBH 18V-26D puurvasar / ---
3611J16002 GBH 18V-26D akuga lööktrell 18 V / EU
3611J16010 GBH18V-26D akuga lööktrell 18 V / USA
3611J16011 GBH 18V-26D puurvasar / ---
3611J16012 GBH18V-26D akuga lööktrell 18 V / USA
3611J16040 GBH 18V-26D akuga lööktrell / ---
3611J16041 GBH 18V-26D puurvasar / ---
3611J16042 GBH 18V-26D akuga lööktrell / ---
3611J16050 GBH18V-26D akuga lööktrell 18 V / ---
3611J16052 GBH 18V-26D akuga lööktrell / ---
Omadused
Uus originaalne Boschi 1600A029LE elektroonikamoodul
Elektroonika moodul
Varuosa on sellel diagrammil kujutatud positsiooninumbri 4 all.
See osa ühildub paljude tööriistadega, sh allpool loetletud mudelitega:
3611J16000 GBH 18V-26D puurvasar 18 V / EU
3611J16001 GBH 18V-26D puurvasar / ---
3611J16002 GBH 18V-26D akuga lööktrell 18 V / EU
3611J16010 GBH18V-26D akuga lööktrell 18 V / USA
3611J16011 GBH 18V-26D puurvasar / ---
3611J16012 GBH18V-26D akuga lööktrell 18 V / USA
3611J16040 GBH 18V-26D akuga lööktrell / ---
3611J16041 GBH 18V-26D puurvasar / ---
3611J16042 GBH 18V-26D akuga lööktrell / ---
3611J16050 GBH18V-26D akuga lööktrell 18 V / ---
3611J16052 GBH 18V-26D akuga lööktrell / ---
Elektroonika moodul
Varuosa on sellel diagrammil kujutatud positsiooninumbri 4 all.
See osa ühildub paljude tööriistadega, sh allpool loetletud mudelitega:
3611J16000 GBH 18V-26D puurvasar 18 V / EU
3611J16001 GBH 18V-26D puurvasar / ---
3611J16002 GBH 18V-26D akuga lööktrell 18 V / EU
3611J16010 GBH18V-26D akuga lööktrell 18 V / USA
3611J16011 GBH 18V-26D puurvasar / ---
3611J16012 GBH18V-26D akuga lööktrell 18 V / USA
3611J16040 GBH 18V-26D akuga lööktrell / ---
3611J16041 GBH 18V-26D puurvasar / ---
3611J16042 GBH 18V-26D akuga lööktrell / ---
3611J16050 GBH18V-26D akuga lööktrell 18 V / ---
3611J16052 GBH 18V-26D akuga lööktrell / ---
Uus originaalne Boschi 1600A029LE elektroonikamoodul
- Tavaline hind
- $117.00
- Allahindlushind
- $117.00
- Tavaline hind
-
$86.00
Käibemaks on hinna sees.
Järeletulemise saadavust ei õnnestunud laadida
